| CAJA DE VELOCIDADES MANUAL - TOYOTA |
TOYOTA / Esquemas, Graphics, y/o Despiece - Standard Transmission |
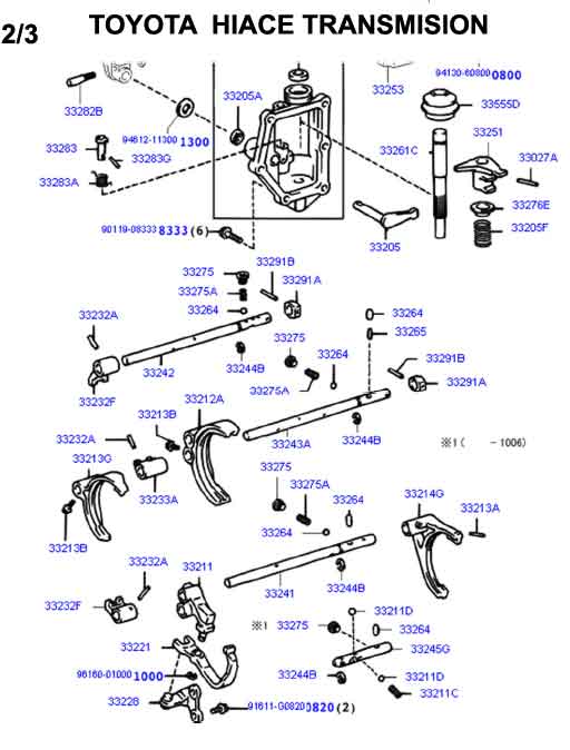
| En esta pagina, presentamos una relacion de Esquemas, relacionados a la caja de velocidades tipo: STANDARD; del vehiculo de la marca |
| TOYOTA / Hiace |
| 2022 |
| Actualizac. Constante |


